為什么大家都喜歡霧化片
來源:http://www.guangshenggg.com 作者:jinluodz 2013年08月28
想必大家對加濕器都有所了解,人們對加濕器的需求已經超乎了想象。由于干燥,即使開著空調,但濕度缺乏,往往加濕器就在這時候充當了救命稻草。
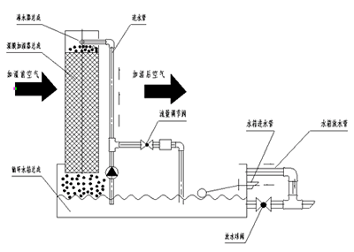
經實驗測定分析,加濕器霧化片工作原理各種場所中的最佳濕度如下:居室環境為40-70%RH,最利于防病、加濕器霧化片工作原理 治病的溫度為40-55%RH,電子計算機、通訊機房為45-60%RH,舞廳、酒吧等娛樂場內(有中央空調裝置)為40-65%RH……通過大量實驗證明:40- 50%RH是人們感覺最適宜、最利于健康,也是消除靜電保護機器的標準濕度。隨著人們對標準濕度的加深認知,京城百姓在加濕器的選擇上也更挑剔。加濕器霧化片工作原理通過功能、質量、價格的綜合比較,加濕器在同類產品中脫穎而出。這不僅僅是因為該產品連年獲得國家質量金橋獎,是加濕器中的老牌名品,最主要的是由于維飛加濕器霧化片工作原理加濕器均采用自動恒濕控制的專利技術。其奧妙在于:出廠產品均已將濕度在標準檔。只有當室內濕度低于50%時,加濕器霧化片工作原理機器才會啟動加濕,加濕器霧化片工作原理高于此范圍則減少霧量至停止加濕。因此使用該產品可使濕度基本穩定在40-50%范圍。下面是加濕器霧化片的原理圖:


“過猶不及”,而自動恒濕技術則幫助人們掌握了加濕過程中“度”的問題自動恒濕技術也鞏固了金洛電子公司在加濕器市場中的首席地位。
超聲波霧化器利用電子高頻震蕩(振蕩頻率為1.7MHz 或2.4MHz,超過人的聽覺范圍,該電子振蕩對人體及動物絕無傷害),通過陶瓷霧化片的高頻諧振,將液態水分子結構打散而產生自然飄逸的水霧,不需加熱或添加任何化學試劑。與加熱霧化方式比較,能源節省了90%。另外在霧化過程中將釋放大量的負離子,其與空氣中漂浮的煙霧、粉塵等產生靜電式反應,使其沉淀,同時還能有效去除甲醛、一氧化碳、細菌等有害物質,使空氣得到凈化,減少疾病的發生。
在正確的使用情況下,霧化片的使用壽命約3000小時,且極易更換。其使用壽命還與水的質量有關,如果霧化片上沉積了水垢,請用柔布清洗。根據不同的的水質和使用目的,可以選用不同的霧化片,如水質較硬的地區選用覆不銹鋼的霧化片,要求耐酸的使用環境選用玻璃釉面的霧化片。霧化器具有斷水自動保護功能,當水位低于水位開關時,霧化器會自動停止工作。霧化器工作時,請勿把手置于霧化片上方,因高頻震蕩,手會有刺痛的感覺,但這不是電的沖擊或漏電。
一般家用加濕器是通過霧化片與BU406,電容,電阻組成正反饋諧振電路,28V-50V直流電壓之間可調壓控輸出諧振功率,達到控制霧化大小的作用,就這些,很簡單。
經實驗測定分析,加濕器霧化片工作原理各種場所中的最佳濕度如下:居室環境為40-70%RH,最利于防病、加濕器霧化片工作原理 治病的溫度為40-55%RH,電子計算機、通訊機房為45-60%RH,舞廳、酒吧等娛樂場內(有中央空調裝置)為40-65%RH……通過大量實驗證明:40- 50%RH是人們感覺最適宜、最利于健康,也是消除靜電保護機器的標準濕度。隨著人們對標準濕度的加深認知,京城百姓在加濕器的選擇上也更挑剔。加濕器霧化片工作原理通過功能、質量、價格的綜合比較,加濕器在同類產品中脫穎而出。這不僅僅是因為該產品連年獲得國家質量金橋獎,是加濕器中的老牌名品,最主要的是由于維飛加濕器霧化片工作原理加濕器均采用自動恒濕控制的專利技術。其奧妙在于:出廠產品均已將濕度在標準檔。只有當室內濕度低于50%時,加濕器霧化片工作原理機器才會啟動加濕,加濕器霧化片工作原理高于此范圍則減少霧量至停止加濕。因此使用該產品可使濕度基本穩定在40-50%范圍。下面是加濕器霧化片的原理圖:


“過猶不及”,而自動恒濕技術則幫助人們掌握了加濕過程中“度”的問題自動恒濕技術也鞏固了金洛電子公司在加濕器市場中的首席地位。
超聲波霧化器利用電子高頻震蕩(振蕩頻率為1.7MHz 或2.4MHz,超過人的聽覺范圍,該電子振蕩對人體及動物絕無傷害),通過陶瓷霧化片的高頻諧振,將液態水分子結構打散而產生自然飄逸的水霧,不需加熱或添加任何化學試劑。與加熱霧化方式比較,能源節省了90%。另外在霧化過程中將釋放大量的負離子,其與空氣中漂浮的煙霧、粉塵等產生靜電式反應,使其沉淀,同時還能有效去除甲醛、一氧化碳、細菌等有害物質,使空氣得到凈化,減少疾病的發生。
在正確的使用情況下,霧化片的使用壽命約3000小時,且極易更換。其使用壽命還與水的質量有關,如果霧化片上沉積了水垢,請用柔布清洗。根據不同的的水質和使用目的,可以選用不同的霧化片,如水質較硬的地區選用覆不銹鋼的霧化片,要求耐酸的使用環境選用玻璃釉面的霧化片。霧化器具有斷水自動保護功能,當水位低于水位開關時,霧化器會自動停止工作。霧化器工作時,請勿把手置于霧化片上方,因高頻震蕩,手會有刺痛的感覺,但這不是電的沖擊或漏電。
一般家用加濕器是通過霧化片與BU406,電容,電阻組成正反饋諧振電路,28V-50V直流電壓之間可調壓控輸出諧振功率,達到控制霧化大小的作用,就這些,很簡單。
正在載入評論數據...
發表評論:
姓名: | |
郵箱: | |
正文: | |
歡迎參與討論,請在這里發表您的看法、交流您的觀點。
相關資訊
- [2025-08-29]CTS致力于成為技術的前沿提供創...
- [2025-08-29]Diodes宣布推出一款智能48通道L...
- [2025-08-25]Rakon瑞康為什么應該放棄標準CO...
- [2025-08-25]Transko特蘭斯科推出了結合MEMS...
- [2025-08-23]SiT5503超精密溫度補償晶體振蕩...
- [2025-08-23]探索SiTime專為導航航空航天和國...
- [2024-04-11]CTECH濾波器型號數據列表CLB75P...
- [2024-03-18]Statek晶振產品應用CX20SCSM1-1...