用CRB455E晶振組成的助聽器
來源:http://www.guangshenggg.com 作者:jinluodz 2013年07月22

由于受氣候和周遭環境的影響等等一系列因素,導致現在失聰的人愈演愈烈。都說眼睛是心靈的窗戶,耳朵是世界的大門,我們由著耳朵感應著這個世界的美好。若當這些美妙幻為泡影時,聰明的人們,發明了助聽器,讓失者重新獲得新生。
助聽器 (Hearing Aid) 是一個有助于聽力殘疾者改善聽覺障礙,進而提高與他人會話交際能力的工具、設備、裝置和儀器等。助聽器有電力的和非電力的兩類,后者目前已被廢棄。前者又有電子管式和晶體管式兩種。晶體管式助聽器最為靈巧輕便,于1950年問世后已取代電子管式而被普遍采用。廣義上講凡能有效地把聲音傳入耳朵的各種裝置都可以看作為助聽器,狹義上講助聽器就是一個電聲放大器,通過它將聲音放大使聾人聽到了原來聽不清楚,聽不到的聲音,這種裝置就是助聽器。
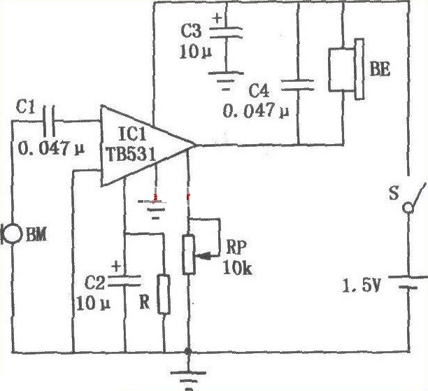
袖珍助昕器電路圖組成:輕觸開關,微動開關,常用瓷片電容包,CRB455E遙控晶振,97A6雙向可控硅,DC/DC升壓模塊。袖珍型助昕器電路如下所示:
.jpg)
陶瓷晶振中劃分為插件陶瓷晶振和陶瓷貼片晶振,陶瓷晶振就是指用陶瓷外殼封裝的晶振,跟石英晶振比起來精度要差一些,但成本也比較低,主要用在對頻率精度要求不高的電子產品中。陶瓷晶振的結構與瓷片電容的結構類似,但兩者的特性差別很人。電容器只具備充、放電特性,可以導通交流信號。陶瓷晶振由于制作材料具有壓E岜效應,只要加上了激勵電平,它就進入振動狀態,形成諧振和產牛一定鑿振頻率,并不是單純的充、放電。陶瓷晶振的這種特性完全等效LC諧振電路。這表明,陶瓷晶振與石英晶振的工作原理相同。陶瓷晶振與石英晶振比較,石英晶振的性能更高,但陶瓷資源,廣泛、價格低廉,因此陶瓷晶振更具有發展潛力。
像上面袖珍助昕器所用到的CRB455E晶振,它屬于陶瓷插件兩腳晶振,以下是它的詳情介紹:
CRB455E
電 器 性 能 |
標準頻率 | 455KHZ |
頻率偏差 | ≤±0.4% | |
諧振電阻 | ≤20Ω | |
靜態電容 | 285PF±20% | |
絕緣電阻 | ≥1000MΩ(min) | |
沖擊耐壓 | DC50V,AC15VP-P | |
溫度特性 | ±0.3%max(相對初始值) | |
工作溫度范圍 | -20℃~+80℃ | |
儲存溫度范圍 | -40℃~+85℃ | |
年老化率 | ≤±0.5%max(相對初始值) | |
機 械 和 環 境 性 能 |
自由跌落(沖擊) |
從75cm高度自由跌落到30mm厚的硬木板上,跌落三次,頻率變化符合電器性能要求。 |
振動 |
頻率10~55Hz,振幅1.5mm,X,Y,Z方向各振動60分鐘。頻率變化符合電器性能要求。 | |
引出端強度 |
拉力:固定陶振主體,沿引腳軸向施加1Kg拉力保持30±5秒,引腳無拔出或斷裂現象。 | |
彎曲:引腳端頭懸掛450g的重物,彎曲90°,時間2~3秒以相同速度返回原位置,再反向操作一次,引腳無松動現象和斷裂現象。 | ||
可焊性 |
從引腳末端至底部2~2.5mm處放入235℃±5℃的焊槽內,時間2±0.5秒,沾錫面>90%。性能檢驗要求同振動。 | |
耐焊接熱 |
從引腳末端至底部2~2.5mm處放入350℃±10℃的焊槽內,時間3.5±0.5秒,試驗后,外觀無異常,性能檢驗同振動要求。 | |
恒定濕熱 |
恒定濕熱:在40±3℃,RH90%±2%,放置100小時,取出后恢復1小時,外觀無異常,性能檢驗同振動要求。 |
正在載入評論數據...
相關資訊
- [2025-08-29]CTS致力于成為技術的前沿提供創...
- [2025-08-29]Diodes宣布推出一款智能48通道L...
- [2025-08-25]Rakon瑞康為什么應該放棄標準CO...
- [2025-08-25]Transko特蘭斯科推出了結合MEMS...
- [2025-08-23]SiT5503超精密溫度補償晶體振蕩...
- [2025-08-23]探索SiTime專為導航航空航天和國...
- [2024-04-11]CTECH濾波器型號數據列表CLB75P...
- [2024-03-18]Statek晶振產品應用CX20SCSM1-1...